La electricidad sería el siguiente paso en la evolución de los sistemas de alumbrado de los coches. Las bombillas de la época mejoraron su composición a principios del siglo XX y se implementaron de forma definitiva en la década de 1910. Muchos años tuvieron que pasar para que la industria automotriz generara un nuevo avance en materia de iluminación.. Introducción. En los diagramas eléctricos de alumbrado del automóvil se representan los sistemas de cables, interruptores, relés, bombillas y lámparas que permiten el funcionamiento de las luces del vehículo. Estos circuitos son responsables de proporcionar iluminación para conducir de noche, indicar la posición y dirección del vehículo.

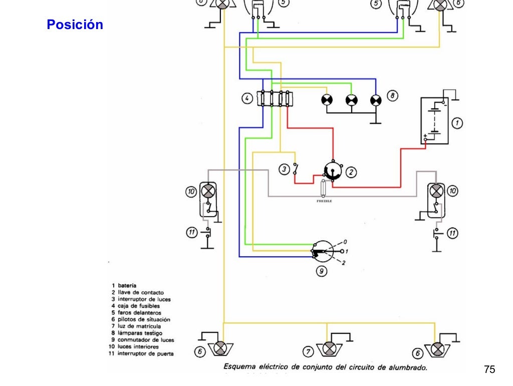
92895312 sistemadealumbradoenelautomovil

92895312 sistemadealumbradoenelautomovil

Estructura y Partes de un Coche, Automóvil o Carro

92895312 sistemadealumbradoenelautomovil

Circuito de carga en el automóvil Sistemas Eléctricos del Automóvil

SISTEMAS DEL AUTOMÓVIL YouTube

Cómo usar el alumbrado de tu coche correctamente

92895312 sistemadealumbradoenelautomovil

Tener conocimiento del automóvil Cursos gratis

92895312 sistemadealumbradoenelautomovil

EL SISTEMA ELÉCTRICO DEL AUTOMÓVIL EL MOTOR DE COMBUSTIÓN INTERNA

92895312 sistemadealumbradoenelautomovil

92895312 sistemadealumbradoenelautomovil

El alumbrado del automóvil. Sistemas Eléctricos del Automóvil

Sistema de alumbrado automotriz

Todo sobre el sistema eléctrico de un automóvil Aprende Institute

Mecánica Virtual El sistema de alumbrado del vehículo

92895312 sistemadealumbradoenelautomovil
![Introducción a la Electrónica Automotriz [Guía Simple 2024] Introducción a la Electrónica Automotriz [Guía Simple 2024]](https://electronicaonline.net/wp-content/uploads/2020/11/sistmas-electricos-del-automovil.jpg)
Introducción a la Electrónica Automotriz [Guía Simple 2024]

92895312 sistemadealumbradoenelautomovil
La iluminación de los automóviles es cada día más compleja. Desde hace tiempo se habla de sistemas de iluminación que representan todo un reto al Taller del automóvil a la hora de realizar el mantenimiento o de montar alguna pieza. Le damos una amplia visión general sobre los distintos sistemas de iluminación y sus componentes, con.. Es recomendable cambiar las luces cada 50.000 kilómetros o cada dos años, y siempre por parejas y sin importar que estas sigan funcionando. Cuando limpies tu coche, recuerda limpiar también los faros. Una capa de polvo puede reducir su eficacia hasta en un 10%. El sistema de iluminación es uno de los principales sistemas de seguridad del.