Transcripción del video. bien ahora trabajaremos en nuestro primer circuito de amplificadores operacionales así es como se verá el circuito observa que el signo positivo está arriba en este caso vamos a tener una fuente de voltaje por aquí el más y el menos del voltaje de entrada esa es nuestra señal de entrada en la salida tenemos el.. El amplificador operacional se puede configurar para producir una salida invertida o no invertida. En la sección anterior analizamos el amplificador inversor. Ahora repetimos el análisis para el amplificador no inversor, como se muestra en la Figura (5). Analizamos esto utilizando las propiedades básicas del amplificador operacional ideal.

Funcionamiento de un amplificador operacional "inversor y no inversor YouTube

PPT AMPLIFICADORES OPERACIONALES PowerPoint Presentation, free download ID6957702

Amplificador Sumador No Inversor parte 2 YouTube

Amplificador Operacional ( OPAM ) Amplificador Inversor YouTube
Amplificador Sumador No Inversor Multisim Live

02 Amplificadores Operacionales Inversor, No Inversor, Sumador, e Integrador YouTube

Amplificador operacional ¿Qué es y cómo funciona?

Aplicaciones con Amplificador Operacional YouTube

Ejercicios De Amplificadores Operacionales Inversor Y No Inversor Descargar Manual

Amplificador Operacional No Inversor + Fórmula + Simulación (Proteus) YouTube

¿Amplificador no inversor de amplificador operacional con sujeción?
Amplificador Operacional No Inversor (AC) Multisim Live

Amplificador Operacional Amplificador Não Inversor Eletrônica de Garagem

El Amplificador Operacional caracteristicas, funcionamiento y aplicaciones

Amplificador Inversor Vs No Inversor My XXX Hot Girl

AMPLIFICADOR OPERACIONAL 3 AMPLIFICADOR NO INVERSOR YouTube

3. Amplificador no inversor YouTube

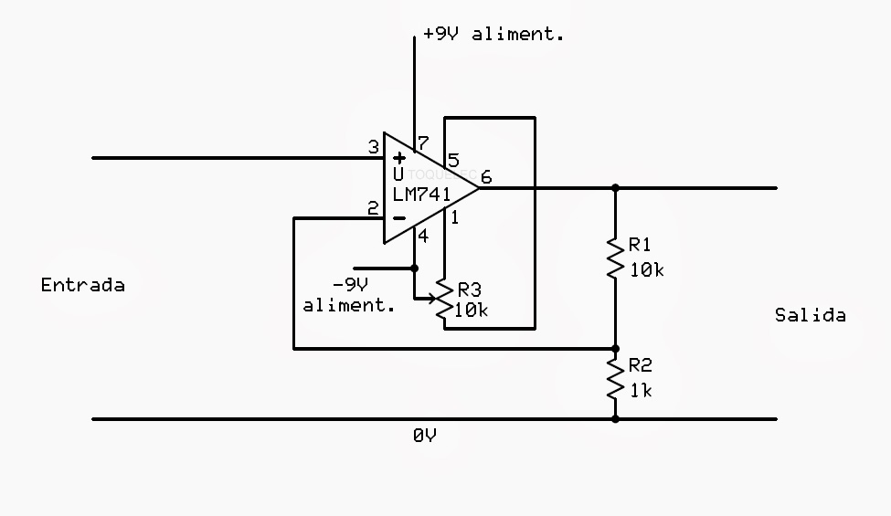
La ciencia de Toquelec Qué es y cómo funciona un amplificador operacional integrado

Amplificador No Inversor YouTube

Amplificador Operacional No Inversor Usos Descargar Peliculas Gratis
El circuito diseñado para un amplificador no inversor consiste en una señal de entrada a amplificar que está conectada al terminal no inversor (+) del amplificador operacional. La salida obtenida de este circuito es no invertida. Este amplificador tiene una retroalimentación hacia la terminal inversora (-) a través de una resistencia.. Ejercicio de amplificador no inversor. A continuación, diseñaremos un amplificador no inversor con: Una ganancia (A) de 5. Y una tensión de entrada de 100mV. El valor de la resistencia de realimentación (RF) es de 10kΩ. Calculamos R1: R1 = 2.5 kΩ. Calculamos R3. R3 = 2 kΩ.